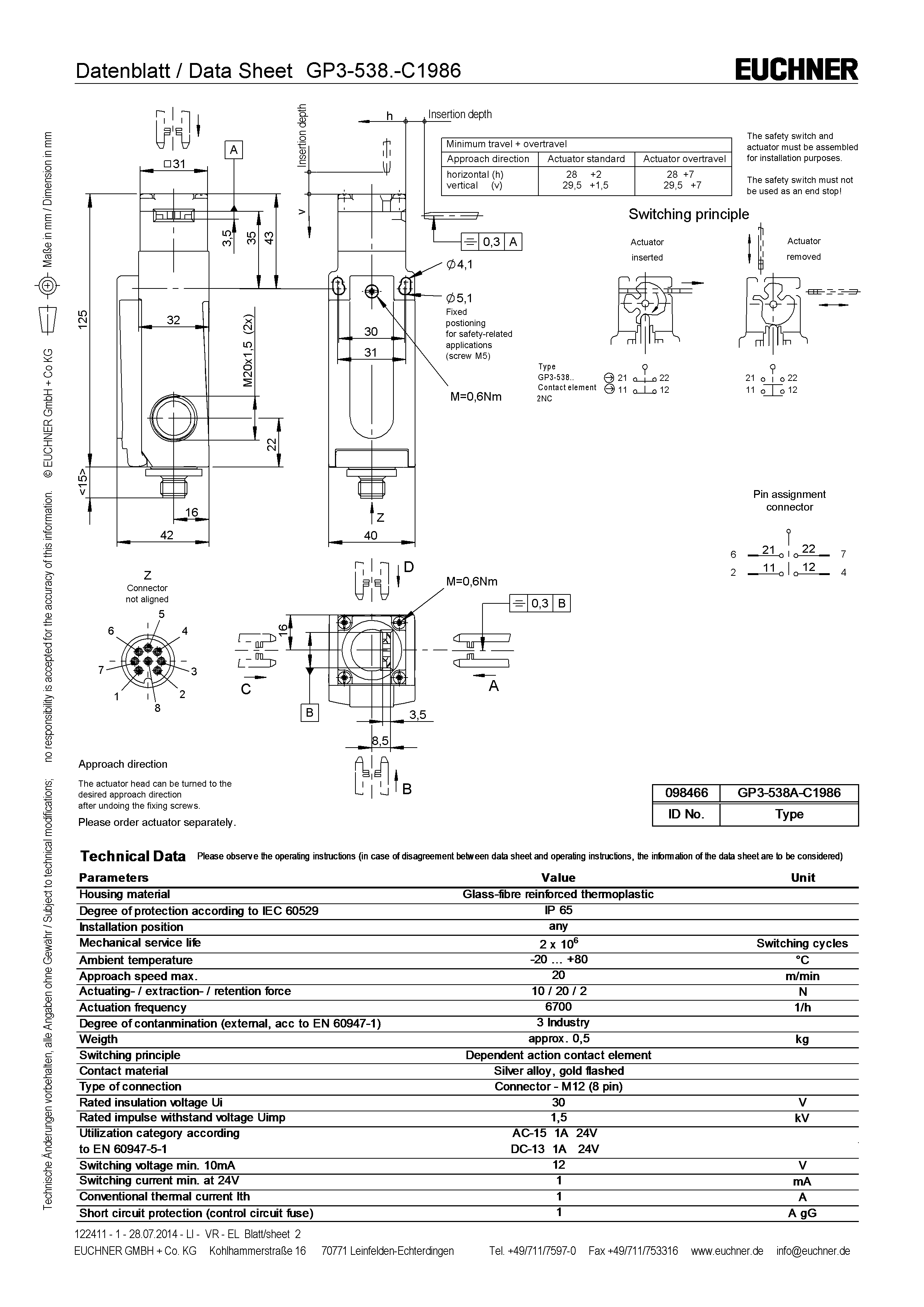
GP3-538A-C1986
Euchner grindbrytare
Artikelnummer:098466
Tyvärr saknas information om denna artikel på vår hemsida. Den finns dock i vårt sortiment så kontakta oss gärna så hjälper vi dig.
OBS! Produktbilden på denna sida är inte specifik för denna artikel.
OBS! Produktbilden på denna sida är inte specifik för denna artikel.
Snabbfakta
Kodning:
Låg
Teknisk data
| Produktfamilj: | GP |
| Typ: | Grindbrytare |
| Användarkategori DC-13: | 4 A 24 V |
| Användarkategori AC-15: | 4 A 230 V |
| B10d värde: | 3x10⁶ |
| Gränssnitt: | Trådat |
| Kodning: | Låg |
| Produktvikt: | 0,209 kg |
| Tillverkare: | Euchner GmbH |