RADIUSBETAETIGER-X-OU-N
Euchner aktiveringsnyckel
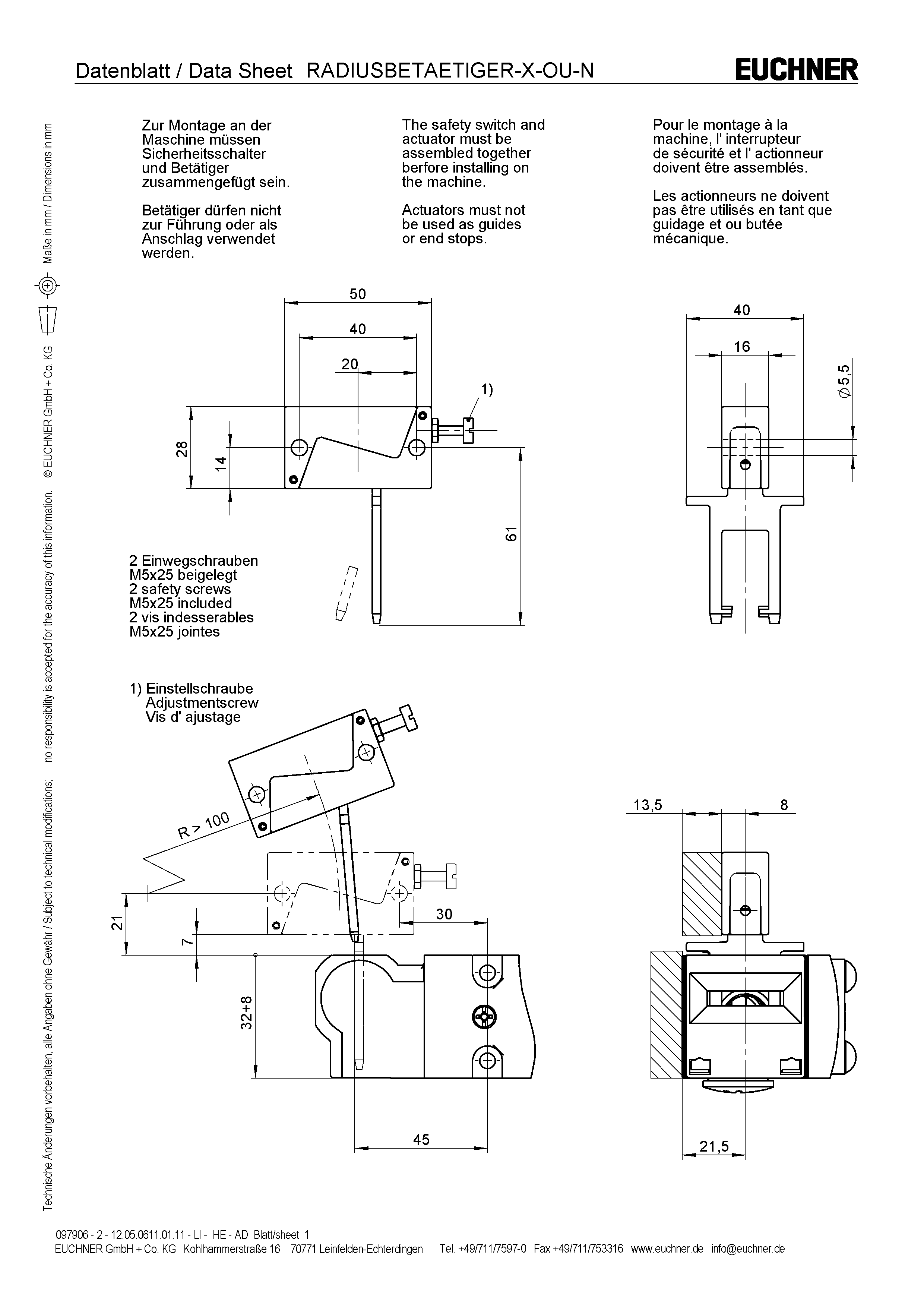
Artikelnummer:097906
Aktiveringsnyckel fjädrande, topp/botten, för säkerhetsbrytare NX/TX
Snabbfakta
Produktfamilj:
NX/TX
Overtravel:
7 mm
Min. dörr radie:
100 mm
Material nyckel:
Rostfritt stål
Allmänt
- Aktiveringsnyckel av rostfritt stål.
- Inklusive två rostfria säkerhetsskruvar per aktiveringsnyckel.
Teknisk data
| Produktfamilj: | NX/TX |
| Typ: | Aktiveringsnyckel |
| Overtravel: | 7 mm |
| Min. dörr radie: | 100 mm |
| Material nyckel: | Rostfritt stål |
| Material skruv: | Rostfritt stål |
| Tillägg möjligt för konad nyckelöppning: | Nej |
| Produktvikt: | 0,067 kg |
| Anmärkning: | De medföljande säkerhetsskruvarna kan skruvas in med ett standardverktyg, men kan inte tas bort igen. |
| Tillverkare: | Euchner GmbH |