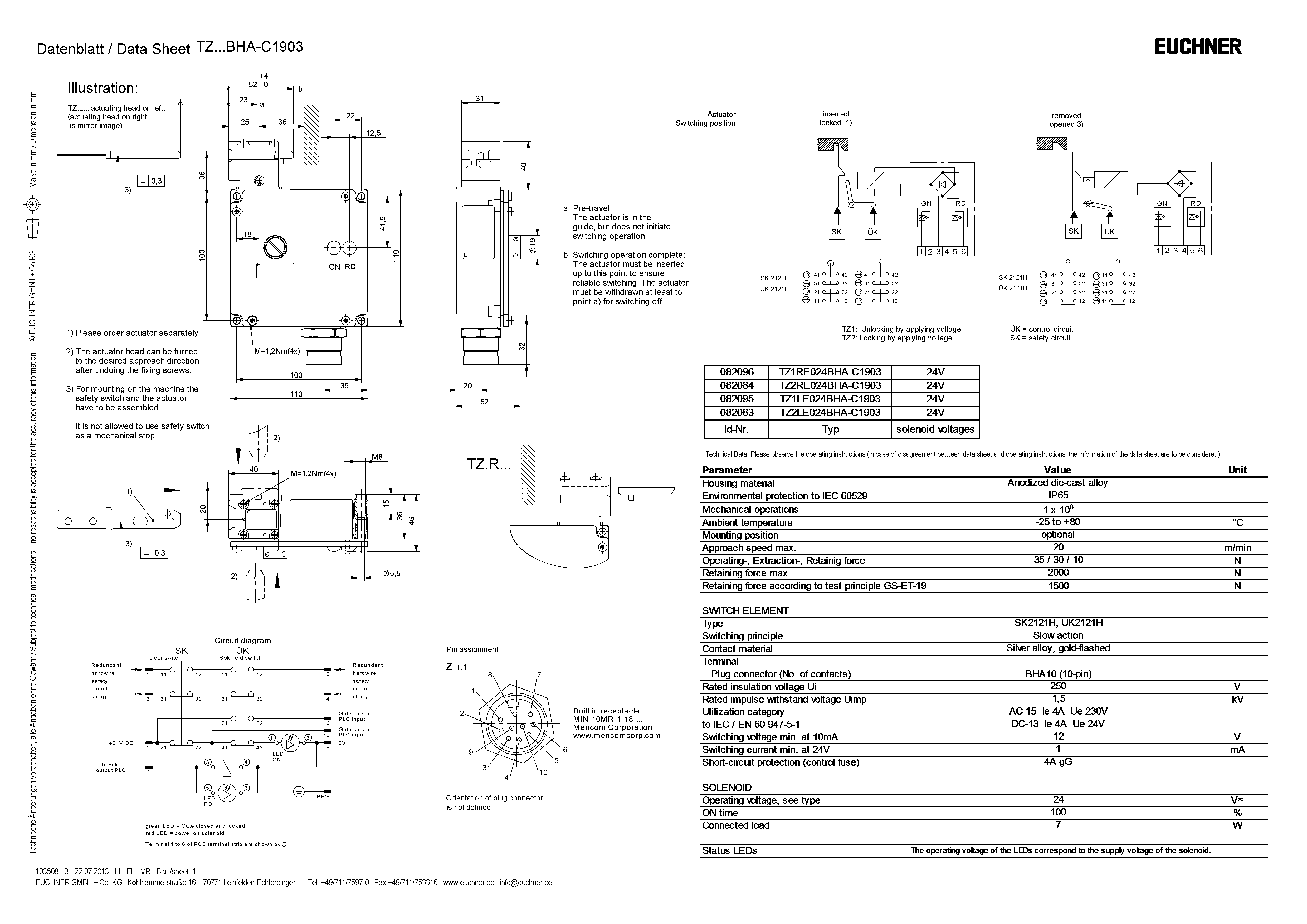
TZ1RE024BHA-C1903
Euchner mekaniskt grindlås
Artikelnummer:082096
Säkerhetsbrytare TZ, MR10 kontakt, anslutning ej standard
Snabbfakta
Utförande:
Mekaniskt
Låsprincip:
Låser upp med spänning
Gränssnitt:
Trådat
Låskraft (Fmax):
2000 N
Anslutning:
MR10
Allmänt
- MR10 kontakt.
- Mekanisk tvångsupplåsning på framsidan.
- 2 stycken LED indikeringar, röd och grön.
- Rött lock.
- Aktiveringshuvud monterat på höger sida.
- Låser upp med spänning.
Teknisk data
| Produktfamilj: | TZ |
| Typ: | Grindlås |
| Utförande: | Mekaniskt |
| Låsprincip: | Låser upp med spänning |
| Gränssnitt: | Trådat |
| LED indikering: | Ja |
| Nödstopp: | Nej |
| Matningsspänning: | 24 V ac/dc |
| Anslutning: | MR10 |
| Låskraft (Fmax): | 2000 N |
| Låskraft (Fzh): | 1500 N |
| Höger- eller vänsterhängd: | Höger |
| B10d värde: | 3x10⁶ |
| Material hus: | Anodiserad pressgjuten legering |
| Omgivningstemperatur (°C): | -25…+80 °C |
| IP-Klass: | IP65 |
| Anmärkning: | Aktiveringsnyckel ingår ej |
| Godkännande / Standarder: | EN ISO 13849-1, EN IEC 62061 |
| Tillverkare: | Euchner GmbH |