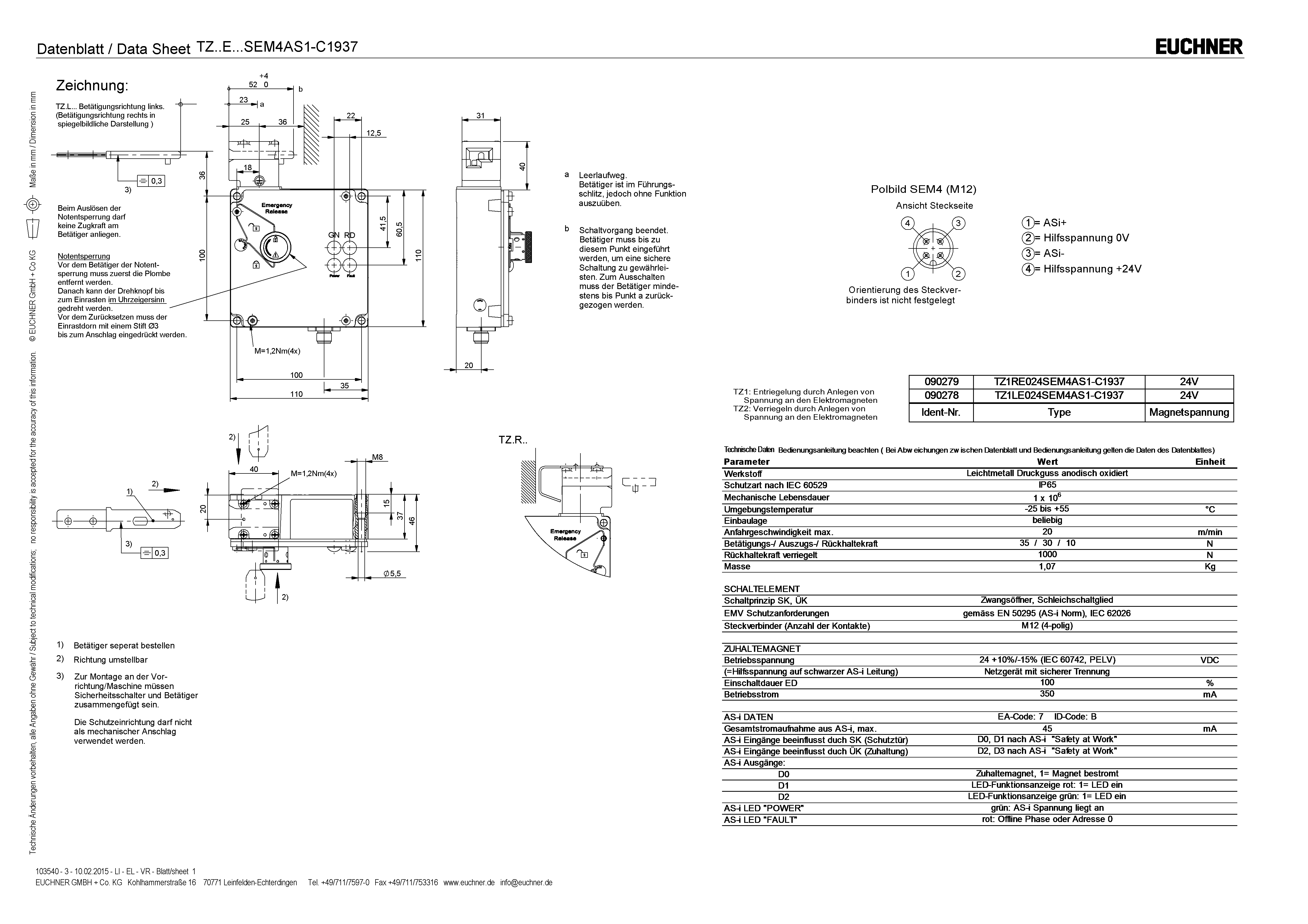
TZ1RE024SEM4AS1-C1937
Euchner mekaniskt grindlås
Artikelnummer:090279
Säkerhetsbrytare TZ AS-i, M12 kontakt, nödöppning
Snabbfakta
Utförande:
Mekaniskt
Låsprincip:
Låser upp med spänning
Gränssnitt:
AS-i
Låskraft (Fmax):
2000 N
Anslutning:
M12, 4-pol
Allmänt
- ASi.
- Anslutningskontakt M12, 4-polig.
- Mekanisk tvångsupplåsning på framsidan med vred.
- 2 stycken LED indikeringar, röd och grön.
- Aktiveringshuvud monterat på höger sida.
- Låser upp med spänning.
Teknisk data
| Produktfamilj: | TZ |
| Typ: | Grindlås |
| Utförande: | Mekaniskt |
| Låsprincip: | Låser upp med spänning |
| Gränssnitt: | AS-i |
| LED indikering: | Ja |
| Nödstopp: | Nej |
| Matningsspänning: | 24 V dc |
| Anslutning: | M12, 4-pol |
| Låskraft (Fmax): | 2000 N |
| Höger- eller vänsterhängd: | Höger |
| B10d värde: | 3x10⁶ |
| Material hus: | Anodiserad pressgjuten legering |
| Omgivningstemperatur (°C): | -25…+80 °C |
| IP-Klass: | IP67 |
| Produktvikt: | 1,212 kg |
| Anmärkning: | Aktiveringsnyckel ingår ej |
| Godkännande / Standarder: | EN ISO 13849-1, EN IEC 62061 |
| Tillverkare: | Euchner GmbH |